О товаре:
- Длинна: 1200 мм.
- Ширина: 600 мм.
- Высота: 1600 мм.
- Вес: 4490 кг.
- ГОСТ, Серия: Проект 999А скачать
- Объем бетона: 0,97 м3
- Геометрический объем: 1,152 м3
Стандарт изготовления изделия: Проект 999А
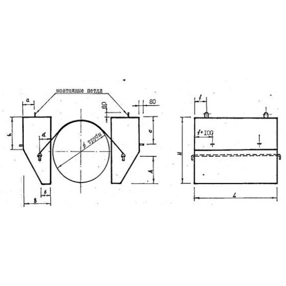
Утяжелители 2УБО 1420-12 – железобетонные блоки, применяемые в строительстве магистральных трубопроводов всевозможного назначения. Основное предназначение таких пригрузов – балластировка нефтепроводных, газопроводных или иных веток. Их установка имеет одну цель – исключить смещения, всплытие или перекос трубопровода. Утяжелители УБО конструктивно выглядят как блоки особой формы – трапециевидное сечение. Два пригруза ставят сбоку трубы и соединяются между собой металлическим крепежом, либо при помощи мягких поясов, изготавливаемых из полимерных материалов. Между трубой и железобетонной конструкцией прокладывают футеровочные маты. Внушительная масса утяжелителя позволяет надежно фиксировать трубу, задавая ей четкое положение.
1. Варианты написания маркировки
Знаки условного обозначения могут записываться в следующих вариациях:
1. УБО 1420-12;
2. 2УБО 1420-12.
2. Основная сфера эксплуатации
Утяжелители охватывающего типа 2УБО 1420-12 монтируют для укрепления или балластировки трубопроводов магистральных веток на обводненных участках, а также в заболоченных местах, "сложных" гидрогеологических условиях, не исключая вечномерзлотные грунты. Не допускается монтировать пригрузы для балластировки трубопроводов, прокладываемых на подводных переходах через реки. Установка блоков охватывающего типа имеет практическое и экономическое обоснование. С их применением удается обеспечить надежное закрепление труб на проектных отметках, при этом снижая стоимость производства строительно-монтажных работ, материалоемкость проекта и трудовые затраты. Работы по компоновке железобетонных блоков балластировки осуществляют в соответствии с требованиями действующего стандарта – Проект 999А.
Эксплуатация утяжелителей УБО производится круглогодично, при этом линейные продольные перемещения трубопроводов допускаются до 40 мм, а при использовании мягких поясов крепежа – не более 50 мм. В случаях, когда блоки устанавливаются в особо суровых условиях, требования к применяемым материалам повышают требования по качеству, а в соответствии со степенью засоленности грунтов выполняют вторичную защиту бетонной поверхности. Перед установкой утяжелители защищают гидроизоляционными покрытиями. Раскладка блоков осуществляется через равные расстояния, допускается укладка групповым методом, когда на определенных участках пригрузы ставят вплотную друг к другу. Общее количество и места раскладки рассчитываются и должны соответствовать требованиям рабочего проекта и конкретным условиям эксплуатации.
3. Обозначение маркировки
Согласно требованиям Проект 999А формируют знаки маркировки. В шифре пишут тип конструкции, основные размерные данные, прочностные характеристики и средняя плотность применяемых бетонов, дополнительными буквами пишут тип бетона и возможность применения в агрессивной среде. Буквенно-цифровая комбинация обозначения 2УБО 1420-12 расшифровывается следующим образом:
1. 2 - изменение в армировании;
2. УБО – утяжелители бетонные охватывающие;
3. 1420 - диаметр трубы;
4. 12 - длина утяжелителя, указывается в дц.
Знаки условного обозначения можно найти на торцевой грани изделия. Их наносят черной несмываемой краской, при этом шрифт должен быть четко читаемым и различимым.
Характеристики:
Длина = 1200;
Ширина = 600;
Высота = 1600;
Вес = 4490;
Объем бетона = 0,97;
Геометрический объем = 1,152.
4. Применяемые технологии и материалы
Охватывающие утяжелителиизготавливают на специализированных производствах из тяжелых бетонов высокой плотности. Используемые бетоны должны отвечать жестким требованиям по морозостойкости (марка F100), водонепроницаемости (марка W4) и трещиностойкости. Блоки 2УБО 1420-12 монтируют в условиях среды высокой степени агрессивности, поэтому бетонная поверхность подвергается дополнительной гидрофобизации. Повышение эксплуатационных свойств достигается путем применения добавок-пластификаторов. Прочность повышается до нормативного уровня методом армирования стальными сетками и одиночными стержнями из стали класса А-200 и А-300. Для крепления утяжелителей между собой элементы имеют арматурные выпуски и закладные детали. Подъем на высоту осуществляется с помощью монтажных петель.
5. Транспортировка и хранение
Утяжелители охватывающего типа 2УБО 1420-12 транспортируют спецтранспортом повышенной грузоподъемности. Блоки фиксируют проволокой, чтобы исключить падение, а для предотвращения порчи бетонной поверхности укладывают деревянные доски. Складирование готовой продукции осуществляется штабелями высотой 2-3 ряда. В местах расположения такелажных петель прокладывают деревянные щиты. Отгрузка производится спецтехникой.

