Трубы асбоцементные
1. Описание и применение.
Асбестоцементные трубы пользуются широким спросом. Они являются основным материалом для прокладки бытовых и промышленных трубопроводов и сетей различного назначения. Трубы имеют цилиндрическую форму и представлены в широком ассортименте длины и диаметра прохода. Цена зависит от габаритов изделия. Асбоцементные трубы делятся на два основных типа: напарные и безнапорные. Первая группа применяется при строительстве нефтепроводов, дренажных систем канализации, напорных водопроводных систем, теплотрасс. В свою очередь безнапорные трубы служат для установки дымоходов, мусоропроводов, а также для наружных проводов безнапорной канализации. Оба типа труб отличаются высокими показателями прочности и водонепроницаемости, кроме того они обладают низкой теплопроводностью.
Компания "Ассортимент ЖБИ Санкт-Петербург" имеет большой опыт в сфере изготовления подобных труб. У нас Вы можете асбестоцементные трубы купить по самым выгодным условиям. Мы производим высококачественные изделия всех нормативных типов и размеров. На сайте предусмотрена удобная услуга он-лайн заказа. Консультацию по поводу выбора и покупки Вы можете получить по многоканальному телефону (812) 389-33-09, или написав на нашу электронную почту spb@tdajbi.ru.
2. Изготовление
а) Способы
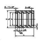
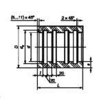
Наша организация выпускает трубы асбестоцементные ГОСТ 31416-2009. Данный нормативный документ полностью регламентирует все этапы производства. Изготовление осуществляется в современных заводских условиях с использованием надежного оборудования и технологий. Все требования, прописанные в ГОСТ строго соблюдаются. Армирующим элементом труб выступает асбест. Изготовление подразумевает заливание бетонной смесью заранее подготовленных асбестовых волокон. После застывания смеси и приобретения ею всех проектных характеристик, изделия отправляются в специальную лабораторию для прохождения приемо-сдаточных испытаний.Сочетание бетона и асбеста обладает высокими прочностными характеристиками, в связи с чем обслуживание изделий требует минимум усилий, а долговечность значительно превышает срок эксплуатации металлических труб. Кроме того, асбоцемент отличается великолепной стойкостью к коррозии и не нуждается в дополнительной обработке. Таким образом асбоцементные трубы являются не только надежным, но и экономным решением для прокладки трубопроводов и прочих коммуникаций.
б) Материалы
Асбестоцемент имеет и второе название - хризотилцемент. Высокие эксплуатационные характеристики труб, которые предлагает клиентам наша компания, обусловлены именно задействованием качественного и надежного хризотилцемента. Сырье подбирается в полном соответствии с техническими требованиями и обладает всеми необходимыми показателями прочности, водонепроницаемости, морозостойкости и теплоизоляции. Благодаря этому, наши изделия абсолютно не подвержены гниению, коррозии, зарастанию и легко переносят агрессивные условия внешней среды.
в) По какому стандарту
Помимо основного ГОСТ, о котором говорилось ранее, изготовление труб регламентируется еще несколькими документами.Так, техническим документом для производства безнапорных изделий является ГОСТ 1839-80, а для напорных - ГОСТ 539-80. Помимо чертежей и руководств по производству, эти документы содержат также правила маркировки и паспортизации строительных материалов. "Ассортимент ЖБИ Санкт-Петербург" маркирует каждое изделие несмываемой краской. Специальные обозначения указывают на вид трубы, ее габариты и основные характеристики. Все данные о прохождении проверки качества отображаются в сертификатах и предоставляются заказчику вместе с продукцией.
3. Упаковка, транспортировка и складирование
Хранение и перевозка труб производится в их рабочем положении - горизонтальном. Для складирования имеются крытые оборудованные площадки, где сброс и навал изделий не допускается. Погрузка труб осуществляется подъемным и такелажным оборудованием. Для перевозки изделия крепко фиксируются стальными лентами и разделяются деревянными досками. Транспортировкой занимается подготовленный опытный персонал. В зависимости от пожеланий заказчика и объема заказа, мы доставляем продукцию с помощью грузовых автомобилей, по железной дороге или на паромах.
"Ассортимент ЖБИ Санкт-Петербург" выпускает надежные сертифицированные асбестоцементные трубы, цена которых одинаково выгодна как для крупных застройщиков, так и для начинающих компаний. Продукция компании уже успешно использована для прокладки многих крупных сетей в Санкт-Петербурге и других городах. Мы гарантируем каждому клиенту достойный уровень обслуживания и только качественные асбестоцементные трубы.

